产品中心
PRODUCTS
热门推荐
-
simalube小保姆自动注油器
以下是其详细介绍:
工作原理:Simalube 自动注油器内有一个产生气体的干电池,干电池产生氢气,氢气在注油器的活塞后方积聚,推动活塞,从而将润滑剂自动且均匀地挤出,按照预先设定的量进行持续供应。
定时精准注油:可设定 1-12 个月内全自动、均匀、准时、准确地注入设备。
可重复使用:油瓶可再次灌油重复使用。
型号规格:有 15ml、30ml、60ml、125ml 和 250ml 五种规格,以满足不同的润滑需求。
适用范围:适用于润滑任何种类的轴承、链条、开放齿轮、导轨、主轴和其它需要润滑的设备。넶11614 ¥ 0.00 -
尼龙弹性联轴器
STI S 系列尼龙弹性联轴器是一种性能优良的传动部件,具有以下特点:
采用双弧形齿设计,即使轴向偏心,齿部也可提供大面积的接触,使接触压力降至最低,
同时能让负载分布在齿的中心部位,依然提供最大传递扭力。
减震降噪:可抑噪声达 1-2 分贝,能够有效地吸收和缓冲传动过程中的振动和冲击。
传递扭矩范围广:最大传递扭矩达 820Nm,150Hp/110Kw 以下电机均可选用,
5-65mm 轴径均可适用,能满足多种不同功率和轴径的电机传动需求。
其他优点:可隔绝热源及电源(静电),无油污,易安装,成本低。工作温度范围为 - 20℃-120℃,适用范围较广。넶1255 ¥ 0.00 -
短节距滚子链
STI A 系列短节距链条是一种符合美国链条标准的精密滚子链。
以下是其详细介绍:
45Mn高强度钢材、采用国际出口标准包装 10FT/盒,胶袋纸盒包装,附送一个全扣,防锈油不易挥发。
高精度与稳定性:STI 链条加工精度高,传送平稳,表面经过喷丸处理,出厂前预拉磨合,具有极高的抗疲劳强度和冲击性能。
高强度与承载能力:链条销轴直径较大,链板较厚,抗拉强度高,特别适合动力传动,能承受重载。
应用领域:适用于各种工业机械,如机床、输送设备、包装机械、印刷机械等,也可用于交通运输领域,
如摩托车、自行车的主传动链,汽车的正时链、平衡轴链等,还可应用于健身器材、自动化设备等。넶5309 ¥ 0.00 -
链轮
STI 链轮是一种性能优良的传动部件,具有以下特点和相关信息:
产品特点
高精度与稳定性:精度高,传动稳定,无滑移,起动速度均匀,同步性好。
高强度与耐用性:采用 45 号钢优质材料制成,部分链轮齿部经过硬化处理,如齿部高频淬火,热处理硬度达 HRC42°-45°
,且所有的钢或铁均经过磷化处理,具有极高的抗疲劳强度和耐磨性能,寿命长。
类型区分
按照与链条的适配性,可分为 A 型链轮和 B 型链轮,A 型链轮两边都无凸台,需额外固定装置;B 型链轮单边有凸台,内置键槽与螺丝孔,便于固定,通常作为主动轮。
应用领域
广泛应用于汽车、纺织、印刷包装设备、缝制设备、激光雕刻设备、金融机具、舞台灯光、通讯食品机械、医疗机械、钢铁机械、石油化工、仪器仪表、各种精密机床等领域。넶1106 ¥ 0.00 -
电马达减震胶
STI 电马达避震脚适用于风机、马达、压缩机、引擎、齿轮箱和电控制箱等各种机械设备。
以下是对它的详细介绍:
材质:以丁基橡胶材质为主,这种材质具有良好的减震和隔音性能。
型号及价格:有多种型号,如 STI-45I(S)、STI-70I(S)、STI-115I、STI-325I 等。
性能特点:结构简单,能有效解决噪音及震动问题,可降低噪音 2-3 分贝,降低震幅 70%。
适用范围:目前已大量适用于各类型机械设备上,能有效解决噪音及震动问题,风机、马达、
压缩机、引擎、齿轮箱和电控制箱等均可使用。넶7075 ¥ 0.00 -
链条KC联轴器
以下是其详细介绍:
结构组成:由 40Mn 双排链条与两个 C45 钢链轮及铝合金外壳组成。这种结构使得联轴器具有较高的强度和稳定性。
产品特点
材质优良:链条材料采用 40Mn 钢,并经过预拉磨合及表面喷丸抗疲劳和防锈处理,提高了链条的强度和耐磨性。
链轮材质采用 C45 钢,进行齿部高频淬火及表面高温浸油防锈处理,增强了链轮的齿面硬度和抗疲劳性能。
环境适应性强:适用于高温、高速、潮湿和多尘的工作环境,具有良好的稳定性和可靠性。
安装方便:具有结构简单、紧凑,高挠性,传动能力强,装拆方便等优点,拆卸时不用移动被联接的两轴,有一定补偿能力,对安装精度要求不高。넶14041 ¥ 0.00
联系银科
Contact us
上海分公司
银科商贸(上海)有限公司
上海市闵行区中春路8633弄41号26幢
617室
邮编:201101
电话:021-6296-8880
邮件:shoffice@silvertech.com.hk
网址:www.silvertech.cn
广东分公司
银科工业(广东)有限公司
广东省佛山市顺德区北滘镇三乐东路25号
集成科创园13栋801室
电话:0757-2666-9188
邮件:gdoffice@silvertech.com.hk
网址:www.silvertech.cn
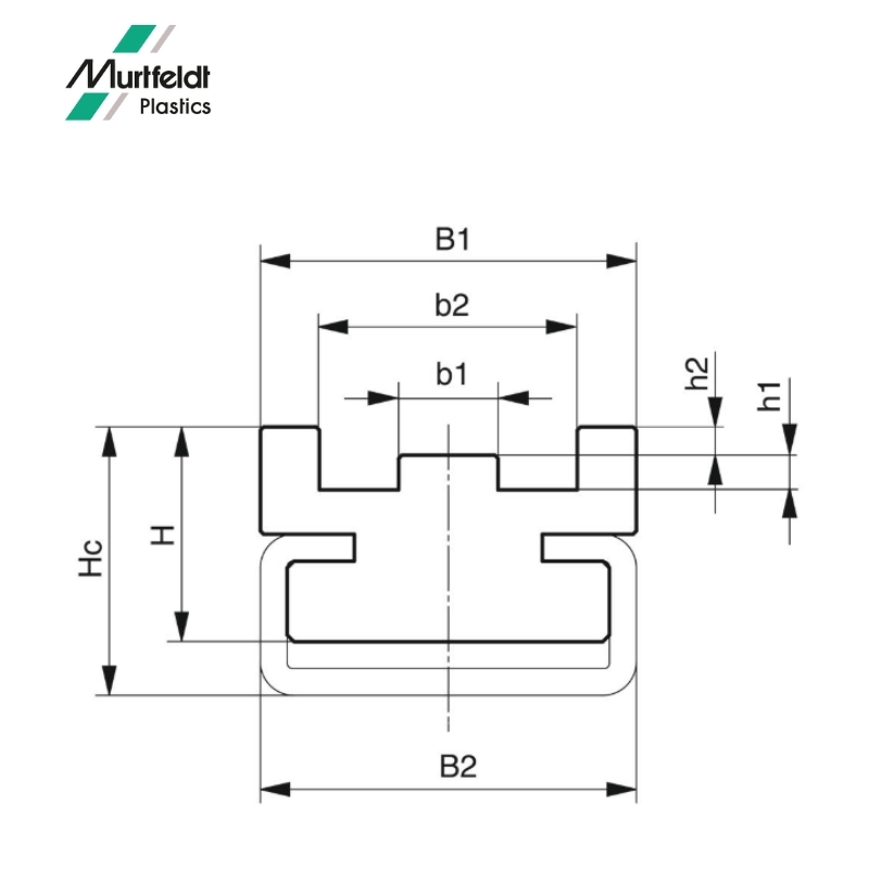
CTS型 单排链条导轨_链条导向件
CTS 型单排链条导轨具有以下优点:
高耐磨性:磨损小,其耐磨性能比一些金属还要强很多,能有效减少链条与导轨之间的磨损,延长导轨和链条的使用寿命。
自润滑性:具有自润滑性,不需润滑油,可降低链条运行的摩擦阻力,减少能量损耗,同时也降低了维护工作量和成本。
抗冲击性强:即使在极低的温度下(如 - 250℃),也具有良好的抗冲击和抗断裂性能,能够承受链条运行过程中产生的冲击力,保护链条和设备的正常运行。
低噪音:摩擦阻力小,运行时噪音低,能够为工作环境提供更安静的条件,有利于提高工作环境质量和设备运行的稳定性。
化学稳定性好:具有高耐化学性,能够抵抗多种化学物质的腐蚀,适用于各种复杂的工作环境。
符合食品卫生要求:通过欧盟 EU 和美国 FDA 认证,可直接和食品接触使用,适合食品卫生要求高的行业,如食品加工、包装等领域。
产品详情

链条导轨也叫链条导向件或链条轨道,是一种静压导轨,用于支撑和导向链条,减少链条磨擦,降低噪音,增强链条使用寿命。原材料是具有高分子量的聚乙烯材料(UHMW-PE)。它几乎集中了各种塑料的优点,具有普通聚乙烯和其它工程塑料无法比较的耐磨、耐冲击、自润滑、耐腐蚀、耐冲击、耐低温、不易粘附、不易吸水、密度较小等综合性能。




■ 链条导轨搭配C型钢槽使用
● 方便导轨安装/拆卸简易,如导轨有劳损,更换方便快捷
● 如导轨有劳损,更换方便快捷,只需确保塑料导轨不被推出钢槽
● 高导向精度,只需用螺丝紧固钢槽,可确保导轨长时间不会变形
● 如工作温度改变,导轨可有足够空间扩张或收缩


■ 链条导轨选型指南

■ 链条导轨应用范围
应用于机械行业、医疗器械、矿山工业、车辆制造及运输工业、造纸行业、纺织工业、饮食轻工业、陶瓷业、运动业等

银科商贸(上海)有限公司
电话:021-6296-8880
邮箱:shoffice@silvertech.com.hk
地址:上海闵行区中春路8633弄41号26幢617室
银科工业(广东)有限公司
电话:0757-2666-9188
邮箱:gdoffice@silvertech.com.hk
地址:广东省佛山市顺德区北滘镇
三乐东路25号集成科创园13栋801室
银科工业(香港)有限公司
电话:+852-2499-9168
传真:+852-2417-9183
邮箱:sales@silvertech.com.hk
地址:香港荃湾沙咀道66A号豪力中心2108室
Copyright © 1992 银科工业 版权所有 粤ICP备10210430号 客服热线:4008-618-120 企业微信:138-2917-2917
官方微信公众号
官方淘宝店铺
